日本RSK厚型精密直角规549系列,在相同尺寸的直角规中最厚,是加厚型直角规,直立使用时,可确保测量的稳定性,适用于机床、机械设备及零部件的垂直度检验,安装加工定位,划线等。
日本RSK厚型精密直角尺549系列

日本RSK厚型精密直角尺549系列,在相同尺寸的直角规中最厚,是加厚型直角规,直立使用时,可确保测量的稳定性,适用于机床、机械设备及零部件的垂直度检验,安装加工定位,划线等。
RSK厚型精密直角尺特点
(1)在相同尺寸的直角规中最厚,是加厚型直角规,直立使用时,可确保测量的稳定性。
(2)所有型号经过热处理,可根据客户需求特殊精度和尺寸定制。
RSK厚型精密直角尺用途
(1)用于检测工件的垂直度及工件相对位置的垂直度。
(2)适用于机床、机械设备及零部件的垂直度检验,安装加工定位,划线等。
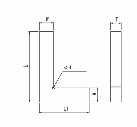
RSK厚型精密直角尺示意图

RSK厚型精密直角尺规格参数
| 订货型号 | 垂直度 ( ±μm) | L (mm) | L1 (mm) | W (mm) | T (mm) | 重量 (㎏ ) |
| 549-050 | 12.5 | 50 | 40 | 15 | 10 | 0.1 |
| 549-075 | 13.7 | 75 | 50 | 18 | 12 | 0.2 |
| 549-100 | 15.0 | 100 | 70 | 20 | 15 | 0.4 |
| 549-125 | 16.2 | 125 | 80 | 20 | 15 | 0.5 |
| 549-150 | 17.5 | 150 | 100 | 25 | 20 | 0.9 |
| 549-200 | 20.0 | 200 | 130 | 30 | 20 | 1.4 |
| 549-250 | 22.5 | 250 | 145 | 35 | 25 | 2.5 |
| 549-300 | 25.0 | 300 | 170 | 35 | 25 | 3.0 |
| 姓名: |
|
| 手机: | |
| 备注: |
|
| 提 交 |