msiy-62浮动电主轴,由外径62mm的电主轴+浮动刀柄组成,转速有7000转和8000转可选,功率500W,扭矩1.5N.m,旋转跳动精度5μm以内,可用于倒角、打磨、去毛刺等加工。
msiy-62浮动电主轴

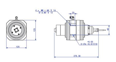
msiy-62浮动电主轴,由外径62mm的电主轴+浮动刀柄组成,转速有7000转和8000转可选,功率500W,扭矩1.5N.m,旋转跳动精度5μm以内,可用于倒角、打磨、去毛刺等加工。
msiy-62浮动主轴参数
产品型号:6257-CQL11
主轴外径:φ62mm
主轴转速:500-5700rpm
跳动精度:5μm
夹头类型:ER16
输出功率:500W
重量:2.5kg
扭矩:1.5N.m
防水等级:IP64
冷却方式:水冷或气冷
msiy-62浮动电主轴特点

灵活转向:可360°方向浮动、Z方向浮动5mm。
智能自适:去毛刺过程中可吸收产品的形变量,自适应加工:有效保护刀具,降低调试难度。
大功率:可机器人夹持工具使用,也可将工具固定,机器人夹持工件去毛刺作业。
推荐使用耗材
立铣刀、旋转锉、锥度铣刀、钢丝刷、金刚石磨头等。
| 姓名: |
|
| 手机: | |
| 备注: |
|
| 提 交 |