春亨产品中心
- 按产品特性分类
- 水平仪 偏心仪 角度计 直角尺 同心度仪 高速主轴 内外测卡规 打磨机 钻石膏 各种量表 磨刀石 研磨油石 切削刀具 研磨刷 研磨工具 磁性工具 放大镜 内视镜 卡尺 千分尺 圆周尺 扭力工具 针规 间隙规 速度测试 高度尺/计 测量工具 硬度计 段差尺 焊道规 V型座 磁性吸盘 推拉力计 吊重磁盘 工业胶粘剂 研磨抛光 钳类工具 旋具工具 热敏试纸 粘度计 电子称 金属锉刀 复制胶膜 螺帽规 背孔刀 气动主轴 自动换刀主轴 防静电主轴 MSIY电主轴 高精密主轴 大扭矩电主轴 高斯计 直角电主轴 进口百分表 扭力起子 中村扭力扳手 脱磁器 螺纹深度规 主轴增速刀柄 RBZ浮动主轴 中心出水电主轴 气浮主轴 螺纹规
- 按应用领域分类
- 工程机械 数控机床 汽车制造 电子/光电 橡胶皮革检测 船舶制造 实验室/研究院 纺织业 精加工 雕刻 珠宝首饰 陶瓷工业 抛光去毛刺 PCB分板机加工 铣削加工 钻孔动力头 医疗加工 走心机高频铣 浮动去毛刺 小径深孔加工
- 按品牌分类
- AAA ASKER B2 BOWERS CITIZEN DMT FUJITOOL FISSO FUJIGEN HONDA GLOI HEINE KANETEC IMADA KANON KAYDIAMOND KROEPLIN MEYER MARUI MITUTOYO NAKANISHI PEACOCK PEAK PHOENIX PI-TAPE RSK RHEINTACHO SK SPI SUN SUPERTECH SWAN UNIVERSAL NOVAPAX XEBEC WIXEY Teclock tohnichi 富士KOSOKU RUBICON KEIBA TAJIMA NIKON Stanley SPI Engeering MARKAL PTC TMC THERMAX RION SHINKO STAO佐藤 TSUBOSAN OSKAR SCHWENK MARK-10 Microset starrett EENPAIX OJIYAS DIGITECH ROECKLE tites swiss Yamato Cherry DAIWA RABIN MSIY NRS PPS NSK
相关资讯
- NAKANISHI电动打磨机研磨头有多少种分类?
- PCB板钻0.15小孔,用中西6万转气动换刀主轴
- 可直接装在CNC机床上的NSK高速主轴
- 买NSK高速主轴,还在担心售后问题吗?
- 中西NAKANISHI打磨机EV410-230包含哪些附件?
- RSK水平仪鼠年与您携手共创制造业的明天
- 一文看懂日本NAKANISHI高速主轴的六大系列及应用
- 津上BS26走心机钻微小斜孔,加装中西高频铣BM-320
- 排刀机侧面孔用哪个牌子高速主轴好?
- NAKANISHI中西NSK 的控制器E3000最低可以达到多少转?
- 测量检测中用强力KANETEC磁性量表座,简直是神助攻
- 中西nakanishi外径40mm大扭矩电主轴BMS-4020
- NAKANISHi中西NSK高频铣自动车床一次程序铣削加工完
- 走心机端铣2mm盲孔怎样可以避免毛刺产生?
- 铝铸件5mm毛刺,用MSIY-62浮动电主轴,功率500W
- 日本KANON中村数显扭力校正仪
- 盘点日本nakanishi中西气浮轴承主轴三大类型
- NAKANISHI高速主轴如何保养
- NAKANISHI高速主轴为制造业提供新助力
- 自动换刀电主轴NR4040-AQC,自动化去毛刺好帮手!(视频)
产品详情
联系我们
Rikken日研3万转主轴增速刀柄

日研3万转增速刀柄,无需改造机床主体,通过更换刀柄即可将主轴输出转速倍增,最高可达30,000转/分钟,让您的普通机床瞬间获得高端高速加工中心的性能。
为何选择日研增速刀柄?
传统加工在应对复杂曲面、微小特征或难加工材料时,常因转速不足导致效率低下、表面质量不佳。
日研增速刀柄的核心价值在于“赋能”与“增效”
(1)瞬间提速,投资回报率高
以1:5的固定增速比,将机床主轴转速提升至5倍。例如,当机床输入4,000转/分钟时,刀尖实际转速即高达20,000转/分钟,轻松满足高速切削需求,避免了购置全新高速机床的巨大投入。
(2)兼容性与灵活性兼具
提供BT30、BT40、BT50等多种标准锥度型号,可兼容绝大多数主流加工中心,安装便捷,即装即用。独特的可配套定位块设计,使刀柄能完美适配不同机型的机械手,轻松实现自动换刀,无缝集成到自动化生产线中。
(3)精度与刚性平衡
并非单纯追求高速,日研凭借其精密制造底蕴,确保增速机构在高速运转下的高刚性与低振动。采用优质合金钢制造,并经精密热处理和动平衡校正,从源头保障加工稳定性和卓越的工件表面质量。
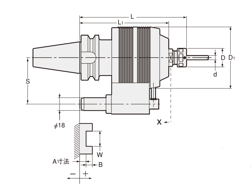
产品尺寸

产品技术参数
品牌/系列: 日本NIKKEN(日研) 增速刀柄系列
常见型号: BT30-NX-5-153, BT40-NX-5-153, BT50-PX 6-140GX等
主轴接口: BT30, BT40, BT50 等标准锥度。
增速比: 1:5(典型值),另有其他倍率可选(如0.55-8.0倍可调等)
输出最高转速: 最高可达30,000转/分钟(实际可达转速取决于机床主轴输入能力)
适用刀具直径: φ0.5mm ~ φ16mm(覆盖从微细加工到常规精加工的需求)
关键特征: 高刚性齿轮箱、TiN轴承帽、高效散热、可搭配定位块实现自动换刀
典型应用: 精密模具、航空航天零部件、医疗器械、汽车发动机零件等
产品型号

核心卖点
日研增速刀柄的卓越表现,源于其内部精密的机械设计与制造工艺。
(1)精密齿轮增速系统:
内部采用高精度齿轮传动机构,实现稳定、高效的转速倍增。您提到的1:5增速比是其中一种典型配置,能够可靠地将主轴输入转速放大5倍。
(2)核心部件与散热
轴承技术:搭载日研独特的轴承设计与TiN(氮化钛)轴承帽,在高速下提供优异支撑,大幅降低振动,是长寿命、高精度的关键。
散热与润滑:内部集成高效散热结构和优化的润滑系统,能持续导出高速运转产生的热量,防止热变形导致精度下降,确保长时间连续加工的稳定性。
(3)人性化设计与配件
主轴刀柄固定用扳手卡口:刀柄设计了专用的扳手卡口,便于使用标准扳手安全、牢固地拧紧锁紧螺母,确保连接刚性。
完整的刀柄生态系统:可配套使用日研高精度的AA级弹簧夹头(Collet),确保夹持精度。用户可根据加工需求,选配不同尺寸的夹头和夹套。
应用场景
日研增速刀柄广泛应用于对加工效率、精度和表面质量有苛刻要求的行业:
(1)精密模具制造:
用于模具的复杂曲面、筋条和细微纹理的精加工,高速切削可获得极佳的表面光洁度,减少甚至省去后续抛光工序,显著缩短交货周期。
(2)航空航天与汽车制造:
高效加工发动机缸体、缸盖、叶轮以及由钛合金、高温合金等难切削材料制成的结构件,在保证尺寸精度的同时提升效率。
(3)医疗器械加工:
适用于骨钉、关节置换件等医疗器械的小型、复杂零件加工,高转速适合使用小直径刀具,确保加工精度和生物相容性所需的表面完整性。
选购与咨询指南
为确保您选购到最适合的产品,获得最佳使用体验,我们建议:
确认机床兼容性:请先核实您加工中心主轴的锥度型号(如BT40)、最大转速和功率,以便我们为您推荐匹配的增速刀柄型号。
明确加工需求:告知我们您主要加工的材料、刀具直径范围以及期望达到的加工效果,这将有助于确认所需的增速比和配置。
索要详细资料与报价:点击下方联系按钮,提供您的机床信息和需求,我们将为您提供精确的产品型号、技术文档及具有竞争力的报价。
关于“3万转”的说明:产品标注的“最高30000min-1”为刀柄设计的性能上限。实际稳定运行的最高输出转速,取决于您机床主轴的输入转速、刚性及功率。我们的技术团队可为您做详细的适配性评估。
订购:日研3万转增速刀柄









1960544536